Brasserie Bent Bine aux USA Brasserie de 10 hl à Seattle
Brasserie Bent Bine BENT BINE est une brasserie familiale située à Belfair, dans l'État de Washington, nichée entre la baie nord du Puget Sound et le crochet sud du canal Hoods. Il ouvre en octobre 2017.
https://www.facebook.com/BentBineBrewCo/
Comme beaucoup d'autres microbrasseries, Tim brassait auparavant de la bonne bière avec des kits maison, puis il a décidé d'augmenter le rendement de la bière en possédant une véritable microbrasserie.
Nous avons reçu la demande de Tim en août 2016 par e-mail, avec ses idées approximatives sur la configuration des équipements d'une brasserie de 10 hl. Ensuite, nous prenons environ 2 mois sur son plan de brasserie. Nos sujets incluent la méthode de brassage, la méthode de chauffage, la disposition, l'automatisation du contrôle, les dessins des réservoirs, etc. Enfin, nous nous sommes mis d'accord sur un tel plan de brasserie :
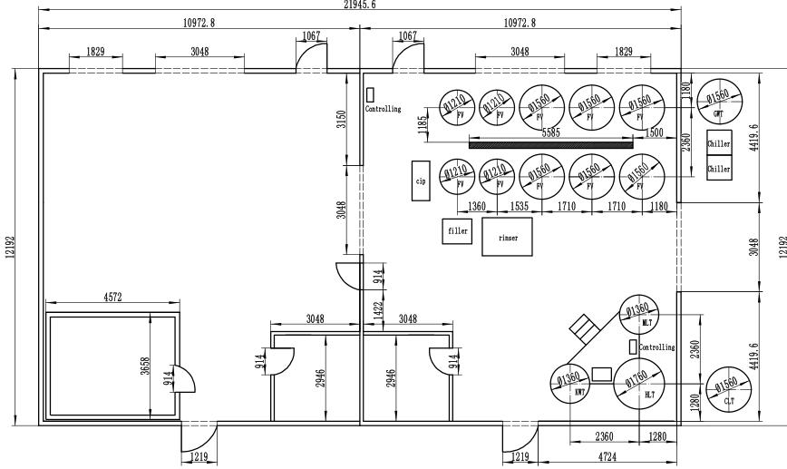
Unité de broyage de grains à configuration brute de brasserie Unité de brasserie à vis flexible [MLT+KWT+20HL HLT], chauffage à feu direct, avec dispositif herms. 3x2000L Fermentation en cuve 2x1000L Fermentation en cuve 3x2000L UNITANK 2x1000L UNITANK Glycol Chilling Unité Unité de contrôle: contrôle PLC, avec des vannes pneumatiques CIP Unité de vente Keg Filler Keg Rinser
Aménagement de la brasserie
Configuration 3D de la brasserie
Étape de fabrication de la brasserie Il faut environ 90 à 100 jours pour terminer la fabrication, les tests et le débogage avant la livraison. L'équipement a effectué un long et sûr voyage de la Chine aux États-Unis avec environ 20 jours.
Jour de chargement de la brasserie L'équipement a été chargé dans des conteneurs de 3x40'.
Installation aux USA Nous avons envoyé un ingénieur aux USA, et Tim s'occupait des billets aller-retour, de la chambre et de la nourriture pendant que l'ingénieur y séjournait. Avant l'arrivée de notre ingénieur, Tim a déjà essayé de terminer lui-même certaines connexions car il est également un excellent ingénieur (pour les solutions de chauffage). Il faut environ 2 semaines pour terminer toute la brasserie et faire fonctionner la brasserie. Ensuite, la brasserie Bent Bine ouvre ses portes !!
Si vous démarrez une brasserie et que vous avez installé un équipement complet de brasserie, n'hésitez pas à nous contacter.
Request A Quote