In the early stages of planning to open a brewery, there is mainly four factors we need to consider. Now, let make a simple comparison for 5hl and 10hl system.
This comparison of 5hl and 10hl system is based on two vessel brewhouse(mash/lauter tun+kettle/whirlpool tun+hot liquor tank), 5 fermenter and two weeks’ fermenting time. Hope this could give your an initial idea when planning brewery project. Thank you.
1.Production capacity For example, 5hl system with 5x5hl fermenter could get 25hl beer in 2 weeks. If pub is opening 7 days per week, it means around 180L beer per day is available for customer.
10hl system with 5x10hl fermenter could get around 5000L beer in 2 weeks, equal to around 360L beer per day.
So, before opening a brewpub, do you have already a clear idea about daily output? 2.Expanding capacity If expanding output in the future is expected, we could add extra several fermenting control point on controller and enlarge cooling capacity of glycol chilling unit in advance. So when expanding output, just purchasing fermenter to expand output is workable. No need to purchase controller or glycol chilling unit again.
In regard to expanding capacity, 1000L system has bigger expanding capacity than 500L system. Adding one 1000L fermenter could get same output as 2 sets 500L fermenter.
Do you have expanding plan for the future in early stage?
3.Cost Complete standard brewery configuration include 6 parts: Grain miller, brewhouse, fermenter, glycol chilling unit, control unit, CIP unit.
Different configuration will cost also differently. So, equipment cost is an important factor we need compare in plan stage. If you are interested in beer equipment, welcome to leave message or email me for detailed quotation.
4.Space requirement After premises is confirmed, we could provide installation plan based on your space and our tank size for your reference.
Here is only a simple space requirement list
5hl system with 5x5hl fermenter:
Foot area space: around 40m2. ceiling height: Higher than 3m
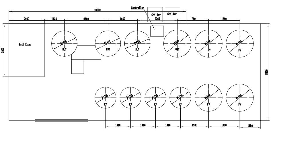
10hl system with 5x10hl fermenter:
Foot area space: around 70m2 ceiling height: higher than 3.5m
Hope this is helpful in planning stage. If you have any question,welcome to have a further discussion
Edited by Nicole
Sales manager in Tiantai company.
Email: [email protected]
Request A Quote