Two-Stage Cooling Method Explained
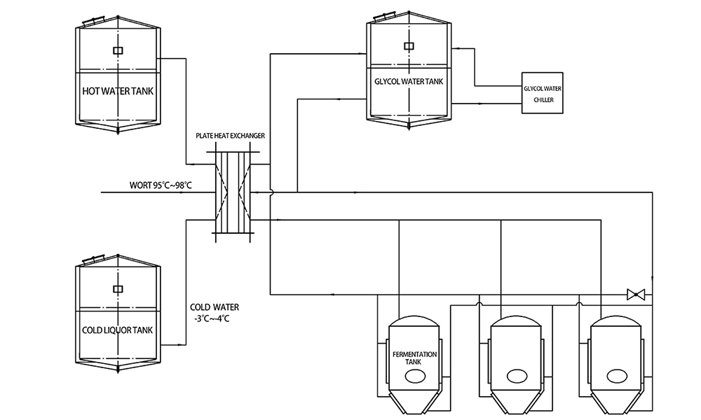
The two-stage cooling method involves a dual-phase process using a plate heat exchanger. In the first stage, cold water with temperatures below 20°C is used to cool the hot wort flowing from the gyratory settling tank, which typically ranges between 90°C to 95°C. This initial cooling phase brings the wort temperature down to around 40°C to 50°C. The second stage utilizes a refrigerant, such as ethylene glycol or alcohol solution, with temperatures ranging from -3°C to -4°C. This further lowers the wort temperature to the desired fermentation temperature, which varies between 6-10°C for lager beer and 16-18°C for ale.

One-Stage Cooling Method Explained

Choosing Between the Methods
The choice between these methods often depends on the brewery’s capacity and specific requirements:
Breweries Above 2000L Capacity: Typically recommended to use the one-stage cooling method due to its efficiency and energy-saving benefits.
Breweries Below 2000L Capacity: Often recommended to use the two-stage cooling method, which is more cost-effective for smaller operations.
However, it’s crucial to consider individual brewery needs. The one-stage cooling method offers several advantages over two-stage cooling:
Advantages of One-Stage Cooling
Uses brewing water as a refrigerant, eliminating the need for additional chemicals like ethylene glycol.
Higher heat energy utilization rate, particularly beneficial for maintaining stable saccharification chamber temperatures.
Simplified operation with stable and controllable temperature parameters, reducing operational complexity.
Energy-efficient, saving between 30% to 40% electricity compared to two-stage cooling systems.
In contrast, two-stage cooling systems require both water and refrigerant simultaneously, which can complicate temperature control and increase energy consumption due to varying temperature demands.
In conclusion, selecting the right wort cooling method is crucial for optimizing brewery operations. Larger breweries tend to benefit from the efficiency of one-stage cooling, while smaller ones find the cost-effectiveness of two-stage cooling advantageous. Understanding these methods allows breweries to enhance their production processes while ensuring quality and efficiency.
For more information on wort cooling methods tailored to your brewery’s specific needs, feel free to contact Tiantai. Their expertise can guide you in making the best choice for your brewing operations.


